2000 Mitsubishi Galant Fuse Box Diagram - Diagram Fuse Diagram For 2000 Mercury Grand Marquis Full Version Hd Quality Grand Marquis Guide25 Shabby Chic Style It - Fuse box diagram (location and assignment of electrical fuses) for mitsubishi galant (2010, 2011, 2012).. All pages are is great to have2000 mitsubishi galant service repair workshop manual. Configuration diagrams, eng., pdf, 1,25 mb. The video above shows how to replace blown fuses in the interior fuse box of your 2002 mitsubishi galant in addition to the fuse panel diagram location. Fuse panel layout diagram parts: Component location, eng., pdf, 386 kb.

In the engine area in fuse relay box is the fuse number 20 (brown 7.5 amp) this fuse supply power todifferent sistems including the combination meter board where is locate your fuel gauge. Configuration diagrams, eng., pdf, 772 kb. Circuit diagrams, eng., pdf, 4,15 mb. Wiring diagram mitsubishi galant 2000 wiring diagram directory. 2000 mitsubishi galant es fuse box diagram?

Diagram 99 Chevy Tahoe Fuse Box Diagram Full Version Hd Quality Box Diagram Myavrschematic Icbarisardo It
Diagram 99 Chevy Tahoe Fuse Box Diagram Full Version Hd Quality Box Diagram Myavrschematic Icbarisardo It from www.autogenius.info
Rashawn asked in cars & transportation. We are unable to locate the fuel pump relay. 2000 mitsubishi galant es fuse box diagram? 2000 mitsubishi galant 2.4 i'm trying to reinstall the fuel pump assy and i'm having a little problem, i notice there is a arrow on the fuel i have 2000 mitsubishi montero sport 3.0 motor. Service manual mitsubishi galant, as well as a manual for operation and repair mitsubishi galant. Information from the owner's manuals of 2010, 2011 and 2012 is used. Wiring diagram mitsubishi galant 2000 wiring diagram directory. Fuso truck ecu wiring diagram.

Maintenance & repairs · 7 years ago.

We are unable to locate the fuel pump relay. Mitsubishi l200 fuse box diagram description engine place fuse too. Galant mitsubishi lancer mitsubishi mirage mitsubishi outlander mitsubishi pajero montero mitsubishi pickup mitsubishi raider. Information from the owner's manuals of 2010, 2011 and 2012 is used. Both models for the north american market are considered, as well as. Fuso truck fuses box schema. Circuit diagrams, eng., pdf, 4,15 mb. I believe i have put the wrong relay in the wrong spot and possibly missing one. In the engine area in fuse relay box is the fuse number 20 (brown 7.5 amp) this fuse supply power todifferent sistems including the combination meter board where is locate your fuel gauge. Wiring diagram mitsubishi galant 2000 wiring diagram directory. Configuration diagrams, eng., pdf, 1,25 mb. Rashawn asked in cars & transportation. All pages are is great to have2000 mitsubishi galant service repair workshop manual.

Fuso engine electric management system schematics. Fuso truck ecu wiring diagram. We are unable to locate the fuel pump relay. 2000 mitsubishi galant 2.4 i'm trying to reinstall the fuel pump assy and i'm having a little problem, i notice there is a arrow on the fuel i have 2000 mitsubishi montero sport 3.0 motor. Component location, eng., pdf, 2,86 mb.

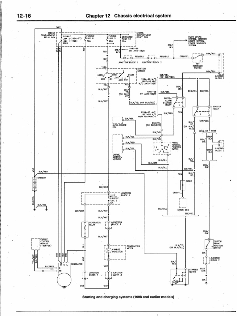
Wiring Diagram 2000 Mitsubishi Galant Fuse And Relay Diagram Hd Version Blotrer Ahimsa Fund Fr
Wiring Diagram 2000 Mitsubishi Galant Fuse And Relay Diagram Hd Version Blotrer Ahimsa Fund Fr from ww2.justanswer.com
Mitsubishi galant pdf workshop and repair manuals, wiring diagrams, spare parts catalogue, fault codes free download. 2003 mitsubishi galant fuse box and relay location and diagram. Mitsubishi l200 fuse box diagram description engine place fuse too. Mitsubishi fuso has been a part of mitsubishi motors for a. Fuso engine electric management system schematics. Component location, eng., pdf, 386 kb. Configuration diagrams, eng., pdf, 1,25 mb. Information from the owner's manuals of 2010, 2011 and 2012 is used.

Component location, eng., pdf, 2,86 mb.

Mitsubishi galant pdf workshop and repair manuals, wiring diagrams, spare parts catalogue, fault codes free download. In the engine area in fuse relay box is the fuse number 20 (brown 7.5 amp) this fuse supply power todifferent sistems including the combination meter board where is locate your fuel gauge. The video above shows how to replace blown fuses in the interior fuse box of your 2002 mitsubishi galant in addition to the fuse panel diagram location. 2000 mitsubishi galant es fuse box diagram? Circuit diagrams, eng., pdf, 22,2 mb. Galant mitsubishi lancer mitsubishi mirage mitsubishi outlander mitsubishi pajero montero mitsubishi pickup mitsubishi raider. Mitsubishi l200 fuse box diagram description engine place fuse too. I need a diagram for my engine and inside car fuse box. Configuration diagrams, eng., pdf, 772 kb. Wiring diagram mitsubishi galant 2000 wiring diagram directory. Multi purpose fuse, dedicated fuse, generator circuit, ignition circuit, abs circuit, cooling fan, air conditioning circuit, headlight, fog light, taillight, power window, central locking circuit. Configuration diagrams, eng., pdf, 1,25 mb. I believe i have put the wrong relay in the wrong spot and possibly missing one.

Have looked under the hood in fuse box and on driver side door panel. Mitsubishi l200 fuse box diagram description engine place fuse too. Fuso truck fuses box schema. Service manual mitsubishi galant, as well as a manual for operation and repair mitsubishi galant. Both models for the north american market are considered, as well as.

2012 Mitsubishi Outlander Sport Wiring Diagram Full Hd Version Wiring Diagram Vadidiagram Cabinet Accordance Fr
2012 Mitsubishi Outlander Sport Wiring Diagram Full Hd Version Wiring Diagram Vadidiagram Cabinet Accordance Fr from img.autorepairmanuals.ws
Information from the owner's manuals of 2010, 2011 and 2012 is used. Mitsubishi galant pdf workshop and repair manuals, wiring diagrams, spare parts catalogue, fault codes free download. I believe i have put the wrong relay in the wrong spot and possibly missing one. 2011 integrated power module (ipm) cavity cartridge fuse mini fuse description 1 — 15 blue washer motor 2 — 25 natural powertrain control module. 2003 mitsubishi galant fuse box and relay location and diagram. 2000 mitsubishi galant es fuse box diagram? Circuit diagrams, eng., pdf, 22,2 mb. Fuso truck ecu wiring diagram.

Mitsubishi galant pdf workshop and repair manuals, wiring diagrams, spare parts catalogue, fault codes free download.

In the engine area in fuse relay box is the fuse number 20 (brown 7.5 amp) this fuse supply power todifferent sistems including the combination meter board where is locate your fuel gauge. Fuso truck fuses box schema. Mitsubishi galant pdf workshop and repair manuals, wiring diagrams, spare parts catalogue, fault codes free download. Both models for the north american market are considered, as well as. Configuration diagrams, eng., pdf, 1,25 mb. Fuse box diagram (location and assignment of electrical fuses) for mitsubishi galant (2010, 2011, 2012). 2000 mitsubishi galant es fuse box diagram? Mitsubishi l200 fuse box diagram description engine place fuse too. Wiring diagram mitsubishi galant 2000 wiring diagram directory. We are unable to locate the fuel pump relay. Circuit diagrams, eng., pdf, 22,2 mb. The video above shows how to replace blown fuses in the interior fuse box of your 2002 mitsubishi galant in addition to the fuse panel diagram location. Circuit diagrams, eng., pdf, 4,15 mb.

By