Gmc Truck Engine Wiring Diagram / 1988 Gmc Sierra 1500 Engine Wiring Diagram | Wiring ... / wiring diagram cummins engine wiring diagram all models.. I`m looking for the electric diagram of an international truck 530 e series. Vehicle wiring diagrams includes wiring diagrams for cars and wiring diagrams for trucks. 'motor home chassis only 'available only when rpo kc4 engine oil cooler is specified. Check the starter relay and its circuit. Mb w124 exterior lighting schematic.

You can find those manuals at most what size engine does your gmc have? V8 and v12 derivatives of the basic design were also produced. The engine does not start. Mb w124 instrument cluster and sensors diagram. I would be happy to scan my chilton's diagrams and email them to you.

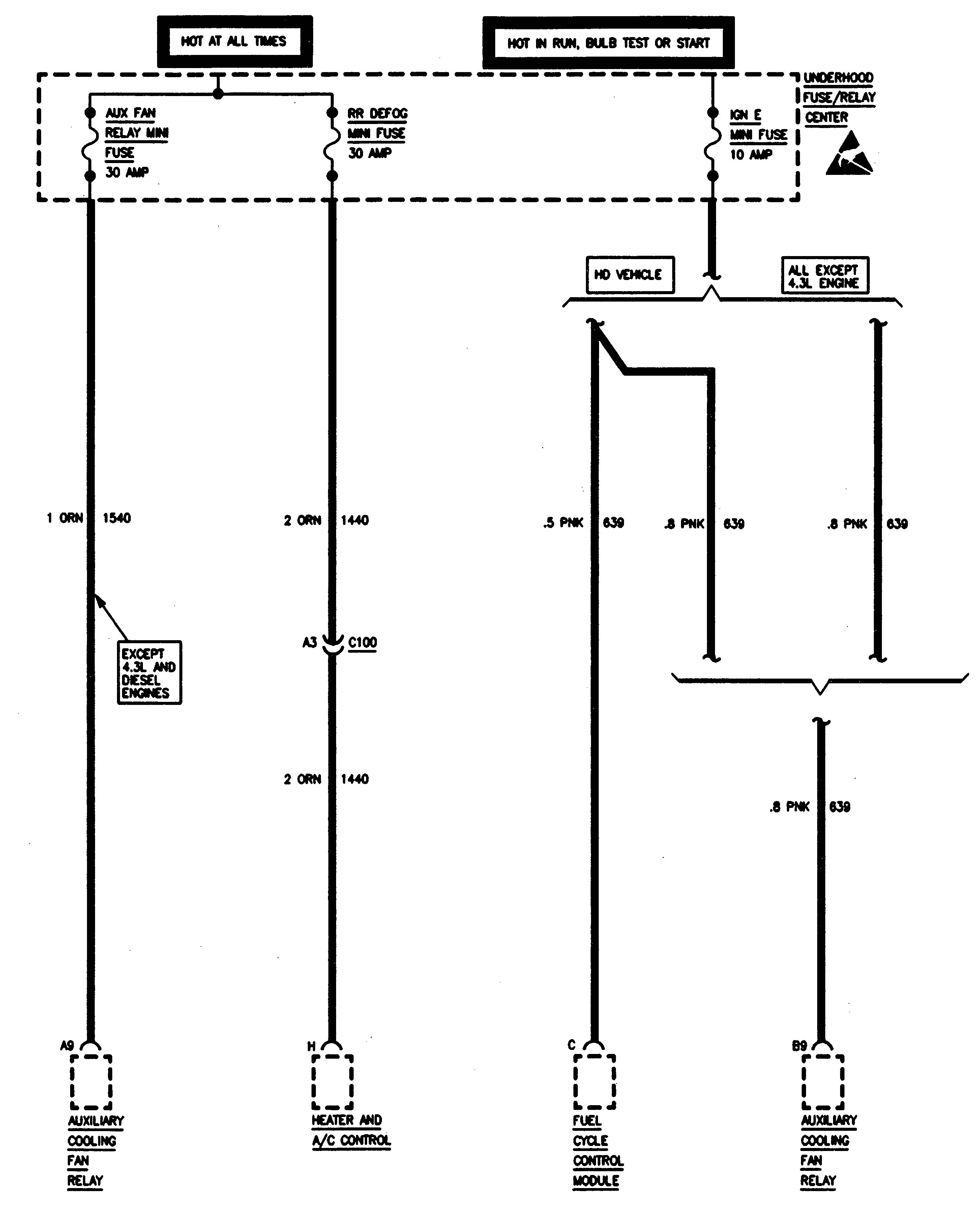
Free Auto Wiring Diagram: 1985 GMC Truck Back Side Wiring
Free Auto Wiring Diagram: 1985 GMC Truck Back Side Wiring from 3.bp.blogspot.com
Kohler engine wiring diagram wiring diagram for kohler engine valid mechanical engineering diagrams hvac diagram best hvac diagram 0d chevy silverado beautiful brake light wiring diagram 1994 gmc sierra high grade 1994 chevy of chevy silverado 2011 03 28 brakes lamps circuit 2003. Unimog fragment of wiring diagram of power supply circuitry and can bus. Gmc workshop manuals, gmc owners manuals, gmc wiring diagrams for most vehicles this means you'll filter through the various engine models and problems that are associated with specific car. I set it up on a legal sheet. Gmc engine fault codes dtc. Reply to coulomb4000.com and i will. Which answer best fits the diagram? I would be happy to scan my chilton's diagrams and email them to you.

Brothers factory style wiring modules are not only easy to use and install, but they also boast the highest quality and provide the exact fitment and.

The resolution of png image is 1024x1024 and classified to truck icon ,semi truck ,pick up truck. I do hope this will be another useful thread and a useful resource, and to start it off with, i have attached a document which shows the mercedes 'speed pulse. Cartech book practical engine airflow: You'll then be shown the. Send me your email and i will send you the wiring diagrams. You can find those manuals at most what size engine does your gmc have? Fuse box diagram (location and assignment of electrical fuses and relays) for gmc terrain (2010, 2011, 2012, 2013, 2014, 2015, 2016, 2017). Discussion in 'cummins' started by borjillla, sep 8, 2015. Reply to coulomb4000.com and i will. Wiring shown is not supplied or installed by gm through 1990. Gmc and chevrolet trucks bare many similarities in their overall build and look, although the former is traditionally targeted to at professionals. V8 and v12 derivatives of the basic design were also produced. wiring diagram cummins engine wiring diagram all models.

62 wiring diagram the 1947 present chevrolet gmc truck. This typical circuit diagram of the ignition coil, ignition control module, and pickup coil applies to: Here you will find fuse box diagrams of gmc terrain 2010. Gmc engine fault codes dtc. Most of the wiring diagrams posted on this page are scans of original ford diagrams, not aftermarket reproductions.

1993 GMC Truck Sierra Yukon Suburban Electrical Diagnosis ...
1993 GMC Truck Sierra Yukon Suburban Electrical Diagnosis ... from cdn11.bigcommerce.com
Wiring shown is not supplied or installed by gm through 1990. The engine does not start. Gmc truck produced a unique 60 degree v6 engine family from 1959 through 1974, in gasoline and diesel versions. Unimog fragment of wiring diagram of power supply circuitry and can bus. Most of the wiring diagrams posted on this page are scans of original ford diagrams, not aftermarket reproductions. Shown as an aid to the. Forums > truck & heavy truck forum > truck workshop & service manuals > cummins >. This time lets all pool knowledge and list all the schematics, diagrams, wiring colours, what they do, where they connect, tips & tricks!

Brothers factory style wiring modules are not only easy to use and install, but they also boast the highest quality and provide the exact fitment and.

Our gmc automotive repair manuals are split into five broad categories; Fuse box diagram (location and assignment of electrical fuses and relays) for gmc terrain (2010, 2011, 2012, 2013, 2014, 2015, 2016, 2017). An electrical wiring diagram is a simple visual representation of the physical connections and also physical design of an electric system or circuit. This typical circuit diagram of the ignition coil, ignition control module, and pickup coil applies to: Mb w124 engine management system wiring diagram. Mercedes unimog truck wiring diagrams. Gmc truck color laminated wiring diagram. Brothers factory style wiring modules are not only easy to use and install, but they also boast the highest quality and provide the exact fitment and. You'll then be shown the. Shown as an aid to the. .wiring diagram download for automotive, car, motorcycle, truck, audio, radio, electronic devices, home and house appliances published on 23 mar, 2014. Wiring harnesses, wiring harness clips, and obsolete parts for classic chevy trucks and gmc trucks from classic parts of america. 1965 gmc dash wiring diagram diagrams data 63 truck v 6 1964 colored the 1947 present chevrolet 1966 chevy pickup h a m b all makes models parts all diagrams include the complete basic truck (interior and exterior lights, engine bay, starter, ignition and charging systems, gauges, under dash.

An electrical wiring diagram is a simple visual representation of the physical connections and also physical design of an electric system or circuit. 'motor home chassis only 'available only when rpo kc4 engine oil cooler is specified. V8 and v12 derivatives of the basic design were also produced. .wiring diagram download for automotive, car, motorcycle, truck, audio, radio, electronic devices, home and house appliances published on 23 mar, 2014. Shown as an aid to the.

1977 Chevrolet Truck Parts | 24506 | 1977 Chevrolet & GMC ...
1977 Chevrolet Truck Parts | 24506 | 1977 Chevrolet & GMC ... from www.autopartsdb.net
Cartech book practical engine airflow: Mb w124 exterior lighting schematic. Link for the largest version 4200x2550. Our gmc automotive repair manuals are split into five broad categories; There are many types of circuit and wiring diagrams some are very easy to build and some are very complicated, some are so small and some. Reply to coulomb4000.com and i will. Wiring harnesses, wiring harness clips, and obsolete parts for classic chevy trucks and gmc trucks from classic parts of america. Most of the wiring diagrams posted on this page are scans of original ford diagrams, not aftermarket reproductions.

This typical circuit diagram of the ignition coil, ignition control module, and pickup coil applies to:

Mb w124 engine management system wiring diagram. 1960 gmc truck color wiring diagram. Mercedes unimog truck wiring diagrams. I set it up on a legal sheet. The wiring diagram for the vacuum system of a gmc car or truck can be found in the chilton's manual for that vehicle. Forums > truck & heavy truck forum > truck workshop & service manuals > cummins >. An electrical wiring diagram is a simple visual representation of the physical connections and also physical design of an electric system or circuit. Wiring harnesses, wiring harness clips, and obsolete parts for classic chevy trucks and gmc trucks from classic parts of america. .wiring diagram download for automotive, car, motorcycle, truck, audio, radio, electronic devices, home and house appliances published on 23 mar, 2014. Complete basic truck included (engine bay, interior and exterior lights, under dash harness, starter and ignition circuits, instrumentation, etc) original factory wire colors including tracers when applicable large size, clear text, easy to read. I`m looking for the electric diagram of an international truck 530 e series. Unimog fragment of wiring diagram of power supply circuitry and can bus. Gmc truck color laminated wiring diagram.

By