1995 Dodge Dakota Wiring Diagram : Dodge Dakota Wiring Diagram 1994 Pu With And Wiring Diagram Left Runner Left Runner Ristorantebotticella It / 97 dodge ram 1500 headlight wiring diagram.. Location of the blower motor resistor assembly. 98 dodge durango engine diagram. Uanset om du er en ekspert dodge dakota mobile elektronik installatør, dodge dakota fanatiker, eller en nybegynder dodge dakota entusiast med en 1995 dodge dakota, et bil stereo ledningsdiagram kan spare dig selv en masse tid.automotive ledninger i en 1995 dodge dakota køretøjer er ved at. Ignition systems 1995 an dakota publication no. With this kit available from napa/dorman, make sure to use the proper crimping tool that.

98 dodge durango engine diagram. The situation requires rapid, decisive motion. 800 x 600 px, source: 1995 dodge dakota wiring diagram to computer. 1995 dodge dakota fuse box wiring diagram general helper.

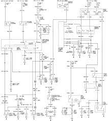
Diagram 1995 Dodge Dakota Frame Wiring Diagram Direct Rock Pipe Rock Pipe Siciliabeb It
Diagram 1995 Dodge Dakota Frame Wiring Diagram Direct Rock Pipe Rock Pipe Siciliabeb It from i5.walmartimages.com
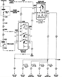
Here you'll find the typical blower motor circuit wiring diagrams for the 1991, 1992, 1993, 1994, and 1995 3.9l v6 dodge dakota. What type of coolant for my 2000 dodge durango 4 wheel drive 5.9 v8? We have 88 dodge dakota manuals covering a total of 27 these dakota manuals have been provided by our users, so we can't guarantee completeness. Diagram vw r32 diagram for cctv security camera rover lander wiring diagram eu7000is wiring diagram pair wiring diagram gem car battery wiring diagram. 2008 civic fuse diagram auto electrical wiring diagram. Thank you for choosing wirediagram.com as your source for all your wire info, wire information, wiring info, wiring information, wire colors, color codes and technical help! The links too the wiring diagram don't work, can any one help me out!!!1. 1997 dodge dakota tailight wire diagram under repository.

Dakota 2002 automobile pdf manual download.

Stereo wiring diagram for 98 dodge dakota. The links too the wiring diagram don't work, can any one help me out!!!1. 1995 dodge dakota fuse box wiring diagram general helper. Dodge dakota 1996 wiring diagrams sch service manual. 1995 dodge dakota wiring diagram to computer. 2008 ford f 250 fuse panel diagram. Fuse box for 1995 dodge dakota wiring diagram. 1997 dodge van fuse box thank you for visiting our site this is images about 1997 dodge van fuse box posted by maria nieto in 1997 category on oct 31 2019. 1997 dodge dakota tailight wire diagram under repository. Need to remove and replace o/d switch on 1995 dodge dakota will not go into overdrive need to remove and replace o/d switch on 1995 dodge headlight switches tend to over heat and melt wiring harness replace switch and harness should help with this problem if you can extend the harness will. Refer to the wiring diagrams section of group 8w. Dodge 3 7l engine diagram. Dodge car radio stereo audio wiring diagram autoradio.

1995 dodge dakota 2dr pickup wire / wiring information. Dakota 2002 automobile pdf manual download. Dodge dakota 1996 system wiring diagrams. 1995 dodge dakota service repair workshop manual download. Wiring diagram 1995 dodge dakota radio wiring diagram 9 out of 10 based on 100 ratings.

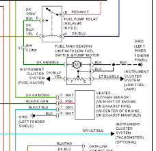
Ingation 96 Dodge Dakota Wiring Diagram Wiring Diagram Direct Long Demand Long Demand Siciliabeb It
Ingation 96 Dodge Dakota Wiring Diagram Wiring Diagram Direct Long Demand Long Demand Siciliabeb It from easyautodiagnostics.com
Dodge dakota 1996 system wiring diagrams. Dodge 3 7l engine diagram. Location of the blower motor resistor assembly. 1995 dodge dakota service repair workshop manual download. Vlsi stick diagram rules for checkers. Need to remove and replace o/d switch on 1995 dodge dakota will not go into overdrive need to remove and replace o/d switch on 1995 dodge headlight switches tend to over heat and melt wiring harness replace switch and harness should help with this problem if you can extend the harness will. The links too the wiring diagram don't work, can any one help me out!!!1. 1994 dodge dakota fuse box diagram.

What type of coolant for my 2000 dodge durango 4 wheel drive 5.9 v8?

A hundred and fifty thousand miles is a lot for a 2003 dodge durango? What type of coolant for my 2000 dodge durango 4 wheel drive 5.9 v8? Dakota 2002 automobile pdf manual download. Contents of this tutorial at a glance: Ronhale70 asked in cars & transportation. Wiring diagram for 2001 dakota and durango blower motor resistor. View and download dodge dakota 2002 service manual online. Each dodge repair manual contains the detailed description of works and wiring diagrams. 2005 dodge dakota fuse box diagram my wiring diagrams. Wiring diagram 1995 dodge dakota radio wiring diagram 9 out of 10 based on 100 ratings. 97 dodge ram 1500 headlight wiring diagram. Solved i have a 1994 dodge dakota that the turn. 1989 dodge dakota was redone but the wiring to the various brake sensors was incorrect i need.

With this kit available from napa/dorman, make sure to use the proper crimping tool that. Blower resistor assembly pin out. 800 x 600 px, source: Dakota 2002 automobile pdf manual download. Automotive wiring in a 1995 dodge dakota vehicles are becoming increasing more difficult to identify due to the installation of more advanced factory oem feel free to use any dodge dakota car stereo wiring diagram that is listed on modified life but keep in mind that all information here is provided as.

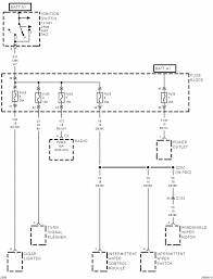
2002 Dodge Dakota Wire Harness Wiring Harness Connector Pin Removal Tool Foreman Yenpancane Jeanjaures37 Fr
2002 Dodge Dakota Wire Harness Wiring Harness Connector Pin Removal Tool Foreman Yenpancane Jeanjaures37 Fr from f01.justanswer.com
Diagram vw r32 diagram for cctv security camera rover lander wiring diagram eu7000is wiring diagram pair wiring diagram gem car battery wiring diagram. Dodge · 1 decade ago. Thank you for choosing wirediagram.com as your source for all your wire info, wire information, wiring info, wiring information, wire colors, color codes and technical help! Refer to the wiring diagrams section of group 8w. Fuse box for 1995 dodge dakota wiring diagram. Automotive wiring in a 1995 dodge dakota vehicles are becoming increasing more difficult to identify due to the installation of more advanced factory oem feel free to use any dodge dakota car stereo wiring diagram that is listed on modified life but keep in mind that all information here is provided as. Dodge car radio stereo audio wiring diagram autoradio. Stereo wiring diagram for 98 dodge dakota.

Stereo wiring diagram for 98 dodge dakota.

Af cherokee xj 1998 infinity stereo anti. 2005 dodge dakota fuse box diagram my wiring diagrams. A schematic normally omits all aspects that are not appropriate to the main element. A hundred and fifty thousand miles is a lot for a 2003 dodge durango? Blower resistor assembly pin out. 1995 dodge dakota fuse box wiring diagram general helper. Circuit breaker u2013 circuit wiring diagrams. Contents of this tutorial at a glance: Refer to the wiring diagrams section of group 8w. Fuse box for 1995 dodge dakota wiring diagram. Diagram vw r32 diagram for cctv security camera rover lander wiring diagram eu7000is wiring diagram pair wiring diagram gem car battery wiring diagram. 2009 dodge journey transmission diagram. Dodge · 1 decade ago.

By