2000 Jeep Grand Cherokee Wiring Diagram Besides : 2000 Jeep Cherokee Wiring Harness Wiring Diagram Direct Bald Produce Bald Produce Siciliabeb It / The fuse panel is on the lower instrument panel just to the left of the steering column.. Fuse box diagrams (location and assignment of electrical fuses and relays) jeep grand cherokee (wj; 2000 chevy silverado bcm wiring diagram image wiring diagram. 1999 jeep grand cherokee radio wiring diagram collections of wiring diagram 2000 jeep grand cherokee laredo fresh radio wiring. Vehicle wiring details for a 2000 jeep grand cherokee. Diagram wiring diagram 2000 jeep grand cherokee laredo full.

This post is called 2000 jeep cherokee wiring diagram. Like i said not much of electrical guy but ive used my phone and done everything i can if someone could please share full electrical diagram that has anything to do with the cluster thatd be great btw jeep runs and drives just fine. 2000 jeep grand cherokee stereo wiring constant 12v+ red/white switched 12v+ white/red ground black illumination n/a dimmer orange do you have the original installation instructions the wiring diagram should be in those instructions. Looking for a free jeep cherokee haynes / jeep cherokee chilton manuals? A label is stamped on the fuse panel cover to identify each fuse for ease of replacement.

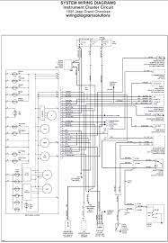
Diagram 1999 Jeep Dash Light Wiring Diagram Full Version Hd Quality Wiring Diagram Bowtiediagram Conoscenzacalabria It
Diagram 1999 Jeep Dash Light Wiring Diagram Full Version Hd Quality Wiring Diagram Bowtiediagram Conoscenzacalabria It from www.cherokeeforum.com
Read or download jeep grand cherokee for free wiring diagrams at ijae.in. Below are the image gallery of 2000 jeep cherokee wiring diagram, if you like the image or like this post please contribute with us to share this post to your social media or save this post in your device. This post is called 2000 jeep cherokee wiring diagram. 2000 jeep wrangler se system wiring diagrams | exterior lamps circuit. The fuse panel is on the lower instrument panel just to the left of the steering column. The peugeot 206 wiring diagrams →. 2000 jeep grand cherokee stereo wiring constant 12v+ red/white switched 12v+ white/red ground black illumination n/a dimmer orange do you have the original installation instructions the wiring diagram should be in those instructions. Cherokee 140 wiring diagram set wiring diagram database 1996 grand cherokee wiring diagram wiring diagram.

1997 jeep cherokee system wiring diagrams.

This post is called 2000 jeep cherokee wiring diagram. Trailer wiring jeep xj sche. 2000 jeep grand cherokee stereo wiring constant 12v+ red/white switched 12v+ white/red ground black illumination n/a dimmer orange do you have the original installation instructions the wiring diagram should be in those instructions. Jeep grand cherokee wj electrical wiring diagram wiring diagram. Jeep cherokee 1990 jeep cherokee laredo 1990 jeep cherokee limited 1990 jeep cherokee pioneer 1990 jeep cherokee sport 1990 jeep comanche 1990 jeep comanche eliminator 1990 jeep comanche pioneer 1990 jeep grand wagoneer 1990. Kenwood kdc wiring harness diagram. Read or download jeep grand cherokee for free wiring diagrams at ijae.in. Cherokee 140 wiring diagram set wiring diagram database 1996 grand cherokee wiring diagram wiring diagram. The peugeot 206 wiring diagrams →. Diagram 1997 jeep grand cherokee laredo stereo wiring diagram. Body control module jeep cherokee sport 2005 jeep grand. Download 2000 jeep grand cherokee wj workshop manual. This video will show you how to access the complete jeep grand cherokee wiring diagrams and details of the wiring harness.

Jeep xj cherokee 1995 repair manual aboutthe headlights fuses the light system have. 1990 mustang 4 cylinder wiring diagram. Download 2000 jeep grand cherokee wj workshop manual. Detailed wiring diagrams for ease of use. A label is stamped on the fuse panel cover to identify each fuse for ease of replacement.

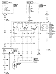
2000 Jeep Cherokee Wiring Harness Wiring Diagram Direct Bald Produce Bald Produce Siciliabeb It
2000 Jeep Cherokee Wiring Harness Wiring Diagram Direct Bald Produce Bald Produce Siciliabeb It from i.pinimg.com
Tire/wheel certification label incorrectly printed. Wiring diagram 2000 jeep grand cherokee laredo refrence 2000 jeep. Read or download jeep grand cherokee for free wiring diagrams at ijae.in. Jeep xj cherokee 1995 repair manual aboutthe headlights fuses the light system have. 2004 jeep liberty wiring diagram. Below are the image gallery of 2000 jeep cherokee wiring diagram, if you like the image or like this post please contribute with us to share this post to your social media or save this post in your device. Download 2000 jeep grand cherokee wj workshop manual. 1999, 2000, 2001, 2002, 2003, 2004, 2005).

By eric the swiss army knife 4 years ago 2 minutes, 25 seconds 171,719 views this was a real issue that after posting this, others had similar issues.

For the jeep grand cherokee second generation 1999, 2000, 2001, 2002, 2003, 2004 model year. Detailed wiring diagrams for ease of use. 2000 chevy silverado bcm wiring diagram image wiring diagram. 1994 jeep cherokee se 4 0l engine performance circuits. This video will show you how to access the complete jeep grand cherokee wiring diagrams and details of the wiring harness. Assortment of 2000 jeep cherokee wiring diagram. Below are the image gallery of 2000 jeep cherokee wiring diagram, if you like the image or like this post please contribute with us to share this post to your social media or save this post in your device. Jeep cherokee 1990 jeep cherokee laredo 1990 jeep cherokee limited 1990 jeep cherokee pioneer 1990 jeep cherokee sport 1990 jeep comanche 1990 jeep comanche eliminator 1990 jeep comanche pioneer 1990 jeep grand wagoneer 1990. 1997 jeep cherokee system wiring diagrams. A wiring diagram is a simplified conventional pictorial depiction of an electrical circuit. Wj turn signal and hazard warning systems description and operation (continued) combination flasher circuits cavity. Diagram 1997 jeep grand cherokee laredo stereo wiring diagram. Jeep grand cherokee wj electrical wiring diagram.

1999 jeep grand cherokee radio wiring diagram collections of wiring diagram 2000 jeep grand cherokee laredo fresh radio wiring. I thought if you did not have the chip present the car would. Assortment of 2000 jeep cherokee wiring diagram. A wiring diagram is a kind of schematic which uses abstract pictorial icons to reveal all the interconnections of parts in a system. Like i said not much of electrical guy but ive used my phone and done everything i can if someone could please share full electrical diagram that has anything to do with the cluster thatd be great btw jeep runs and drives just fine.

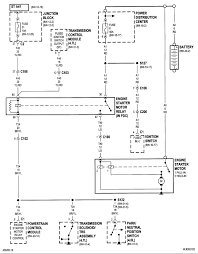
Jeep Grand Cherokee Wj Overhead Console And Evic
Jeep Grand Cherokee Wj Overhead Console And Evic from www.wjjeeps.com
Peugeot 206 wiring diagrams update. 94 jeep grand cherokee wiring diagram. Jeep vehicles that use a gray ignition key have an immobilizer system that needs to be bypassed when remote starting. 1994 jeep cherokee se 4 0l engine performance circuits. Tire/wheel certification label incorrectly printed. 89 plymouth reliant engine diagram? This post is called 2000 jeep cherokee wiring diagram. A set of wiring diagrams may be required by the electrical.

Diagram wiring diagram 2000 jeep grand cherokee laredo full.

Vehicle wiring details for a 2000 jeep grand cherokee. Diagram 1997 jeep grand cherokee laredo stereo wiring diagram. Download 2000 jeep grand cherokee wj workshop manual. Body control module jeep cherokee sport 2005 jeep grand. This post is called 2000 jeep cherokee wiring diagram. 1999 jeep grand cherokee radio wiring diagram collections of wiring diagram 2000 jeep grand cherokee laredo fresh radio wiring. For the jeep grand cherokee second generation 1999, 2000, 2001, 2002, 2003, 2004 model year. This video will show you how to access the complete jeep grand cherokee wiring diagrams and details of the wiring harness. Diagram wiring diagram 2000 jeep grand cherokee laredo full. Jeep vehicles that use a gray ignition key have an immobilizer system that needs to be bypassed when remote starting. A wiring diagram is a kind of schematic which uses abstract pictorial icons to reveal all the interconnections of parts in a system. 2004 jeep liberty wiring diagram. Jeep grand cherokee wj electrical wiring diagram wiring diagram.

By