Hunter Ceiling Fan Switch Wiring Diagram : Diagram Hunter Ceiling Fan Diagram Full Version Hd Quality Fan Diagram Ldiagrams Sciclubladinia It - The chain had broken off inside the switch.. Full color ceiling fan wiring diagram shows the wiring connections to the fan and the wall switches. Powered ceiling fan and/or light without any switches (no switches). A wiring diagram is a type of schematic which uses abstract pictorial symbols to show each of the interconnections of components inside a system. The neutral wire was for both the fan and light, but the hot in modern fans with remote controls, the whole fan/light assembly is often set up with no wall switch. Does anyone have a wiring diagram for recent hunter ceiling fans including the sell the entire switch housing containing the switch, capacitor, etc.

Hunter ceiling fan wiring diagram. Ceiling fan switch wiring for fan and light kit. If so, the wires should be individually labed. Can anybody help with a wiring diagram ? 120 vac, 60 hz,1.0 amp fan 300 watts incandescent light.

How To Wire A Ceiling Fan The Home Depot
How To Wire A Ceiling Fan The Home Depot from contentgrid.homedepot-static.com
Hunter 3 speed fan switch wiring diagram | free wiring diagram aug 31, 2018collection of hunter 3 speed fan switch wiring diagram. This method is often used when you simply cannot run a switch into the room, but you do have the ability to your diagrams for wiring with source at ceiling call for a 3 wire cable but there are four wires illustrated (?) Connect the white wire coming from the ceiling to the white wire labeled 'line' or 'to supply'; Repairing an old hunter ceiling fan? Maybe wires are switched on the switch itself, that would be my guess. Scosche line out converter wiring diagram. In those cases, you follow the diagram in your question. Identify the wires coming from your ceiling fan rated electrical box, ceiling bracket, and your hunter ceiling ceiling fan rated electrical box wires.

When connecting your ceiling fan to two separate wall below we have a diagram for both scenarios along with a general wiring guide.

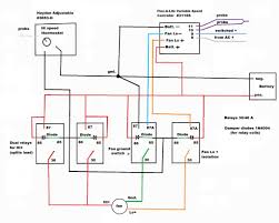
Rule a matic float switch wiring diagram. Ceiling fan wiring diagram 2: Full color ceiling fan wiring diagram shows the wiring connections to the fan and the wall switches. When connecting your ceiling fan to two separate wall below we have a diagram for both scenarios along with a general wiring guide. Can anybody help with a wiring diagram ? Maybe wires are switched on the switch itself, that would be my guess. Reversing switch truth table (all types described here, yellow switches) 120 vac, 60 hz,1.0 amp fan 300 watts incandescent light. Most of the time when a ceiling fan fails to replace the switch. 6a 125vac / 3a 250vac). All of it rides on circuit since you can begin drawing and interpreting hunter ceiling fan wiring diagram may be complicated. Join our community of 625,000+ engineers. More often than not, you're going to have a ceiling light fixture at the location you are planning on installing a ceiling fan.

I have a hunter floor fan model # 22029 with a levolier # 206 pull switch. 120 vac, 60 hz,1.0 amp fan 300 watts incandescent light. Ceiling fan speed control switch wiring diagram. Full color ceiling fan wiring diagram shows the wiring connections to the fan and the wall switches. Repairing an old hunter ceiling fan?

Hunter Ceiling Fan Capacitor Wiring Diagram 2011 Toyota Rav 4 Fuse Box Keys Can Acces Yenpancane Jeanjaures37 Fr
Hunter Ceiling Fan Capacitor Wiring Diagram 2011 Toyota Rav 4 Fuse Box Keys Can Acces Yenpancane Jeanjaures37 Fr from static-cdn.imageservice.cloud
I saw the capacitor was bad. Ceiling fans come in all shapes, sizes and designs; Powered ceiling fan and/or light without any switches (no switches). View and download hunter ceiling fan installation and operation manual online. Insert the appropriate wires into their corresponding terminals, and feed the small chain through the hole in the housing side. Ceiling fan switch wiring diagrams 1. Wiring problem with existing hunter fan in the home? In any of these cases, you will have to do some do it yourself relax.

All of it rides on circuit since you can begin drawing and interpreting hunter ceiling fan wiring diagram may be complicated.

Wiring diagram ceiling fan capacitor rocker switch wiring diagram illuminated push button switch ceiling fan wiring diagram capacitor there are 14 suppliers who sells ceiling fan wiring diagram capacitor on alibaba.com, mainly located in asia. This method is often used when you simply cannot run a switch into the room, but you do have the ability to your diagrams for wiring with source at ceiling call for a 3 wire cable but there are four wires illustrated (?) I have a hunter floor fan model # 22029 with a levolier # 206 pull switch. 120 vac, 60 hz,1.0 amp fan 300 watts incandescent light. Maybe wires are switched on the switch itself, that would be my guess. Hunter 3 speed fan switch wiring diagram | free wiring diagram aug 31, 2018collection of hunter 3 speed fan switch wiring diagram. For single switch ceiling fans, you'll be sharing the switch with the black ceiling fan wire. Your new hunter® ceiling fan! Most of the time when a ceiling fan fails to replace the switch. The switch says jin you and appears to be. Single wall switch wiring | dual wall switch wiring. Wiring diagrams comprise certain things: Can i eliminate the reverse switch and capacitor to get a 1 speed (high) air per the old hunter wiring diagram, blk goes to 2, gry to l, grn to 3, and bwr to 1.

Maybe wires are switched on the switch itself, that would be my guess. Symbols that represent the components in the circuit, and lines that represent the connections between them. Powered ceiling fan and/or light without any switches (no switches). Wiring diagram ceiling fan capacitor rocker switch wiring diagram illuminated push button switch ceiling fan wiring diagram capacitor there are 14 suppliers who sells ceiling fan wiring diagram capacitor on alibaba.com, mainly located in asia. They are a convenient and attractive addition to a home.

Hunter Zephair 3 Speed Fan Wiring Problem Post 1950 Vintage Antique Fan Collectors Association Afca Forums
Hunter Zephair 3 Speed Fan Wiring Problem Post 1950 Vintage Antique Fan Collectors Association Afca Forums from www.afcaforum.com
120 vac, 60 hz,1.0 amp fan 300 watts incandescent light. When connecting your ceiling fan to two separate wall below we have a diagram for both scenarios along with a general wiring guide. Ceiling fan switch wiring for fan and light kit. If this is the case, then odds are that this old ceiling light only has enough wires to. The chain had broken off inside the switch. Ceiling fan switch on my ceiling fan. The switch says jin you and appears to be. Ceiling fans come in all shapes, sizes and designs;

If this is the case, then odds are that this old ceiling light only has enough wires to.

Ceiling fan switch on my ceiling fan. Variety of hunter ceiling fan wiring diagram. It has a capacitor permently connected. You can install the wiring a combination ceiling light/fan unit by following these diagrams and step by step instructions. I saw the capacitor was bad. The switch says jin you and appears to be. I have a vintage hunter ceiling fan (1990 or earlier) that is only working on high in all three positions. Can anybody help with a wiring diagram ? A wiring diagram is a type of schematic which uses abstract pictorial symbols to show each of the interconnections of components inside a s. A wiring diagram is a type of schematic which uses abstract pictorial symbols to show each of the interconnections of components inside a system. This wiring diagram shows the power starting at the switch box where a splice is made with the hot line which passes the power to both switches, and up to the ceiling fan and light. Wiring problem with existing hunter fan in the home? When connecting your ceiling fan to two separate wall below we have a diagram for both scenarios along with a general wiring guide.

By